Tükendi
Gelince Haber Ver



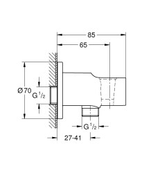
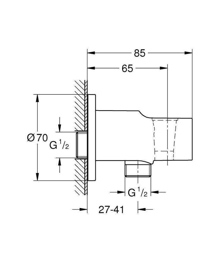
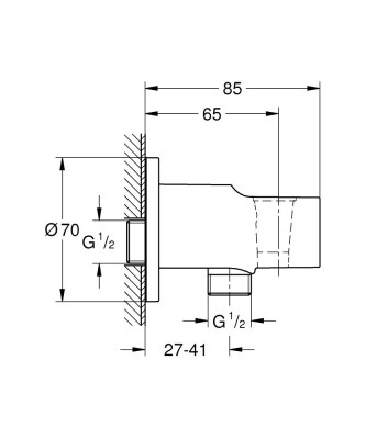
Banyonuzun estetiğini ve işlevselliğini artırmak için Grohe Relexa askılı duş çıkış dirseğini tercih edin. Grohe'nin kaliteli ve dayanıklı yapısı, bu ürünün uzun ömürlü olmasını sağlar. Estetik görünümü ile banyonuza modern bir hava katar. Kolay montajı sayesinde, herkes tarafından rahatlıkla kullanılabilir.
Grohe, kalite ve güvenilirliği ile tanınan bir markadır. Ürünlerini, kullanıcıların ihtiyaçlarına göre tasarlar. Grohe Relexa askılı duş çıkış dirseği de bu anlayışla üretilmiştir.
Ürünün teknik özelliklerini aşağıdaki tabloda bulabilirsiniz:
| Özellik | Değer |
|---|---|
| Marka | Grohe |
| Ürün Adı | Grohe Relexa Askılı Duş Çıkış Dirseği |
| Ürün Kodu | 28628000 |
| Kategori | El Duşu Çıkış Dirseği |
| Ek Özellikler | Yok |